Sterowanie oświetleniem schodowym LED
Oświetlenie LED jest coraz częściej wykorzystywane w projektach oświetlenia schodów w budynkach i przestrzeniach mieszkaniowych z wielopoziomową strukturą wnętrz.
Oświetlenie stanowi ważny element kształtowania przestrzeni schodów, zaś poszczególne rozwiązania konstrukcyjne schodów inspirują do różnych sposobów wykorzystania światła.
Polska firma FARAD jest producentem i wykonawcą inteligentnych instalacji oświetleniowych wykorzystujących sterownik oświetlenia schodowego LED.
Dane techniczne sterownika:
- Wymiary: 65mm x 75mm
- Napięcie zasilania: 12V
- Ilość wejść sterujących: 3 – typ NO (dwa czujniki ruch + klawisz zapalania stałego)
- Ilość wyjść oświetlenia: 19 – napięcie wyjściowe 12V, maksymalne obciążenie 600mA/stopień (7,2W)
Funkcje i zalety sterownika:
- kierunek zapalania od góry do dołu, aktywowany czujnikiem ruchu zamontowanym u góry
- kierunek zapalania od doły do góry, aktywowany czujnikiem ruchu zamontowanym na dole
- funkcja ciągłego świecenia wszystkich stopni
- regulowany czas załączania się stopni
- sterowanie 19 stopniami
- regulowany czas zwłoki
- bardzo niskie zużycie energii (0,5 W)
- zestaw nadaje się do samodzielnego montażu (bardzo łatwa instalacja)
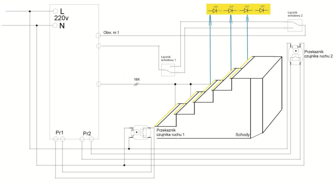
Schemat instalacji elektrycznej:

Obwód nr 1 wymusza włączenie wszystkich paneli diod LED w stopniach schodów.
Źródło: FARAD