Warstwę sprzętową inteligentnego sterownika polowego ISP 70 przedstawia rys. 2. Jednostka centralna CPU wykorzystuje dwurdzeniowy procesor sygnałowy [3], który dzięki szybkim łączom szeregowym wymienia dane i zarządza modułami. Moduły zasilacza i sygnałów analogowych są w pełni kontrolowane i sterowane przez jednostkę centralną. Pozostałe moduły są wyposażone w kontrolery, które realizują znaczną część funkcji związanych z ich przeznaczeniem.
Warstwa programowa oparta jest na wbudowanym oprogramowaniu [1], dzięki czemu nie wymaga dużych zasobów pamięci i jest energooszczędna. Moc obliczeniowa procesora głównego została wykorzystana do obsługi m.in. sześciu modułów sprzętowo-programowych: Smart Integrated Sensors, Smart Metering, Smart Analysis, Smart Diagnosis, Smart Control i Smart Recorder/Logger, które wyróżniają sterownik ISP 70 wśród innych urządzeń tego typu. Poniżej przedstawiono opis poszczególnych modułów.

Rys. 2. Schemat blokowy warstwy sprzętowej ISP 70
Smart Integrated Sensors
Zadaniem modułu jest niskopoziomowa obsługa sygnałów pomiarowych pochodzących z wzorcowanych, hybrydowych przekładników pomiarowych prądowo-napięciowych, dołączonych do obwodów analogowych sterownika, obsługa próbkowania, filtracja i resampling (rys. 3). Wynikiem działania modułu są tablice próbek przebiegów, które są wykorzystywane przez moduły Smart Metering i Smart Analysis.

Rys. 3. Schemat blokowy modułu Smart Integrated Sensors
Smart Metering
Jest to moduł pomiaru wartości analogowych, które stanowią podstawę do obliczania wartości wtórnych (kryterialnych), takich jak: moce, energie, składowe symetryczne prądu i napięcia, wartości skuteczne prądu i napięcia [7] i napięcia zerowego, kąty pomiędzy podstawowymi harmonicznymi prądów i napięć, współczynnik mocy. Wartości te są wykorzystywane przez zabezpieczenia i automatyki w ISP 70. Wyznaczone wartości trafiają również do rejestrów wyjściowych pamięci, skąd mogą zostać przesłane do systemów SCADA (supervisory control and data acquisition) i AMI (advanced metering infrastructure) [5]. Komunikację zapewnia łącze RS -485 z protokołem MODBUS RTU oraz łącze Ethernet z protokołem MODBUS TCP i IE C 61850.
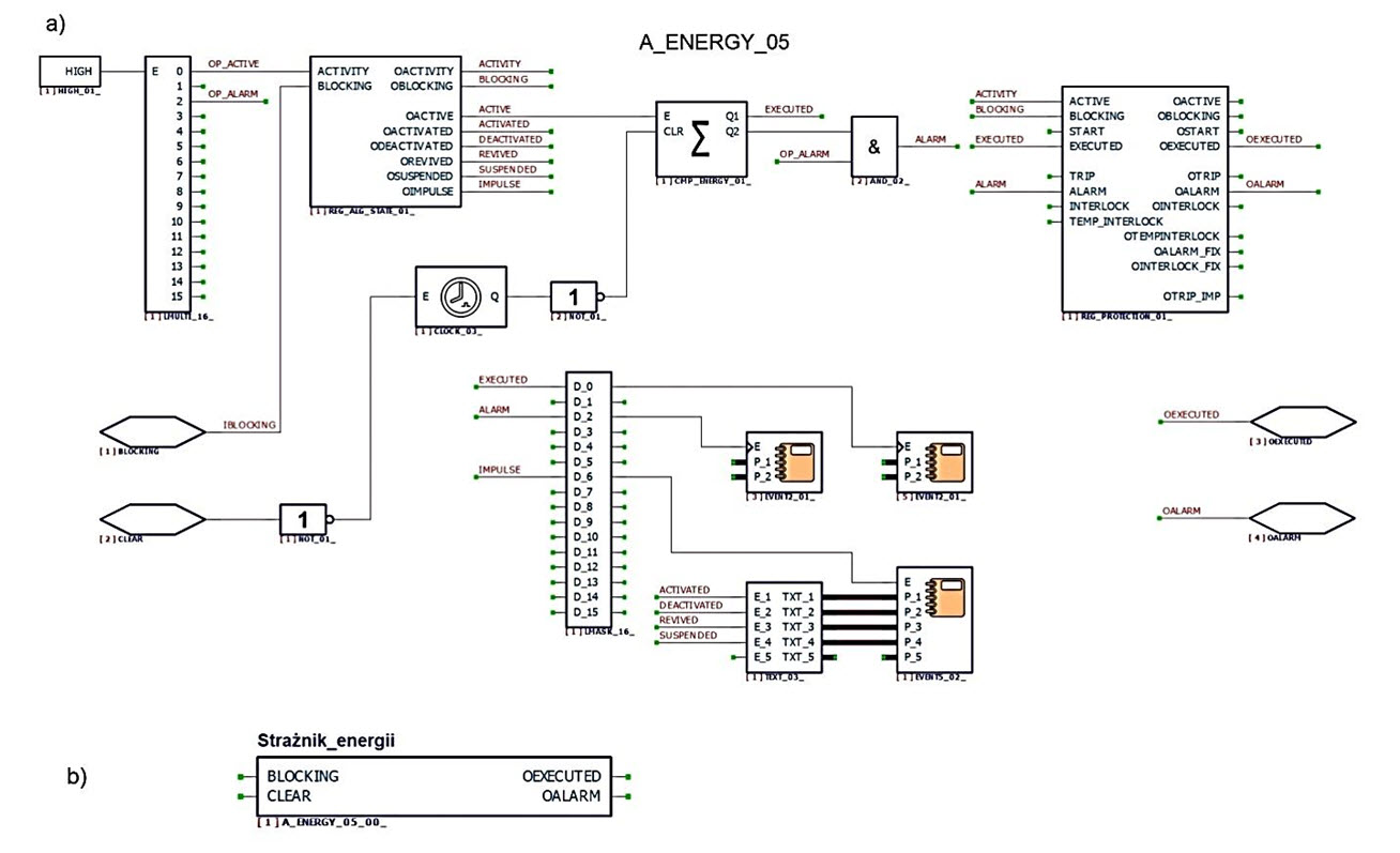
Dodatkowo w module zaimplementowano funkcje strażnika energii, który pozwala kontrolować maksymalną ilość energii pobieranej lub oddawanej do sieci przez dane pole rozdzielcze. Pozwala to na budowę w pełni autonomicznego systemu sterowania przepływem mocy. Przykładowym wykorzystaniem strażnika energii jest kontrola maksymalnego poboru lub generacji mocy biernej przez zakład przemysłowy, podłączony do danego pola rozdzielczego. W celu zmaksymalizowania efektywności opracowanego modułu strażnika energii, wyposażono go w komunikację w systemie AMI, dzięki czemu system zarządzania może zdalnie zmieniać dozwolone limity pobranej lub oddawanej energii w zadanym okresie. Zaprojektowany moduł strażnika energii przedstawiono na rys. 4.

Rys. 4. Schemat logiczny strażnika energii w module Smart Metering (a) i odpowiadający mu blok funkcyjny strażnika energii A_ENERGY (b) – [kliknij aby powiększyć]
Smart Analysis
To moduł analizy jakości energii, wykorzystujący zaawansowane metody numeryczne i dokonujący agregacji danych źródłowych na potrzeby centralnego systemu nadzoru jakości energii w sieci dystrybucyjnej. Z uwagi na zainstalowanie w bezpośredniej bliskości odbiorców energii pozwala na ciągłe monitorowanie jej jakości oraz łatwą lokalizację odbiorców, wprowadzających do sieci nadmierne zakłócenia.
Może również wykrywać przypadki dostaw energii o niewłaściwych parametrach. Moduł wykorzystuje sprzętowo-programowe rozwiązania wchodzące w skład modułu Smart Integrated Sensors.
Smart Diagnosis
Ten moduł diagnostyczny zbiera i analizuje dane pochodzące z kluczowych elementów sieci elektroenergetycznej, rozdzielnicy i łączników [2]. Dane te mogą służyć do poszerzania bazy wiedzy o stanie sieci, a także do formułowania na podstawie odpowiednich reguł wnioskowania, alarmów o możliwym wystąpieniu uszkodzeń i konieczności dokonania z wyprzedzeniem czynności konserwacyjnych. Moduł składa się z podmodułów:
- pozyskiwania danych, który jest odpowiedzialny za operacje zamiany wszelkich sygnałów związanych z łącznikami na ciągi próbek cyfrowych, które następnie są poddawane dalszej obróbce,
- agregacji danych, który zajmuje się wyznaczaniem parametrów statystycznych, zgromadzonych w dłuższym okresie danych,
- analizy, który przeprowadza proces diagnostyki stanu rozdzielnicy na podstawie parametrów wyłącznika, bazy wiedzy oraz reguł wnioskowania.
Rozbudowana analiza ekspercka sieci/rozdzielnicy i łączników jest możliwa dzięki zaimplementowaniu zewnętrznego w stosunku do sterownika polowego systemu eksperckiego. Moduł jest rozwinięciem idei e-diagnostyki, wpisującym się w filozofię smart grid. Jego zaimplementowanie pozwala na podniesienie niezawodności przesyłu energii i obnienie kosztów eksploatacyjnych.
Smart Control
Moduł ten wykonuje podstawowe funkcje sterownika polowego EAZ – realizuje zabezpieczenia i automatyki, z wykorzystaniem blokad międzypolowych oraz umożliwia kontrolę nad rozdzielnicą z poziomu systemu nadrzędnego, w tym nad zautomatyzowanymi elementami rozdzielnicy. W skład modułu wchodzi kilkadziesiąt algorytmów, na podstawie których można tworzyć logikę użytkownika (działania sterownika). Przykładowy schemat algorytmu i bloku funkcyjnego pokazano na rys. 4.
Moduł ten stanowi wydzielony podprogram, dzięki czemu można go przekompilować na dowolny system operacyjny i utworzyć z niego bibliotekę DLL (dynamic link library). Biblioteka ta jest wykorzystywana w celu symulacji pracy wbudowanych algorytmów działania sterownika [4] za pomocą oprogramowania narzędziowego ELF, które wykorzystywane jest również do projektowania logiki użytkownika i programowania urządzenia.
Smart Communication
Ten moduł realizuje funkcje komunikacyjne w standardzie Ethernet [6]:
- serwera IE C 61850 dla układów zabezpieczeń i automatyki stacyjnej, a także dla systemów nadzorczych SCADA,
- blokad międzypolowych, wykorzystując protokół przesyłania szybkich komunikatów stacyjnych GOOSE,
- zarządzania dostawami, odbiorem i analizą energii,
- synchronizacji współpracujących ze sobą sterowników polowych,
- udostępniania danych i funkcji kontrolnych w sposób zgodny z zaleceniami normy.
Opracowany moduł pracuje w systemie operacyjnym Embedded Linux.
Smart Recorder/Logger
Ostatni z modułów jest modułem zaawansowanych rejestratorów: zdarzeń, zakłóceń i wartości kryterialnych. Rejestratory dokonują zapisu przebiegów analogowych i cyfrowych po spełnieniu warunków zdefiniowanych przez operatora. Kryteria wyzwolenia rejestratorów zawierają zbiór warunków, których spełnienie inicjuje wpis danych do sektora. Użytkownik ma możliwość wyboru następujących kryteriów wyzwalania:
- od wzrostu wartości skutecznej powyżej nastawionej wartości progowej prądów i napięć,
- od spadku wartości skutecznej poniżej nastawionej wartości progowej prądów i napięć,
- od sygnałów wejść/wyjść analogowych,
- od zbocza narastającego wybranych wejść dwustanowych,
- od zbocza narastającego wybranych wyjść dwustanowych,
- od zbocza narastającego wybranych sygnałów wewnętrznych/logika użytkownika,
- na żądanie operatora lokalnego lub zdalnego.
Rejestrator zdarzeń archiwizuje informacje o zdarzeniach awaryjnych i działaniu rozdzielnicy w formie rekordu:
- kod zdarzenia – unikatowa wartość pozwalająca na jednoznaczną identyfikację zdarzenia,
- data/czas – pole zawierające zakodowaną wartość daty i czasu tzw. stempel czasowy, określony z dokładnością do 1 ms,
- parametry zdarzenia – 5 rejestrów, służących do zapisu opcjonalnych parametrów danego zdarzenia,
- atrybuty zdarzenia – dodatkowa informacja, służąca do rozkodowania wartości znajdujących się na pozycji parametrów zdarzenia,
- CRC16 – suma kontrolna zabezpieczająca integralność informacji zawartej w danym zdarzeniu.
Dodatkowo sporządza cykliczne raporty podsumowujące działanie rozdzielnicy w wybranych okresach.
Podsumowanie
Główną ideą powstania nowego typu sterownika polowego było otrzymanie gotowego, wielofunkcyjnego rozwiązania, uwzględniającego potrzeby procesów modernizacyjnych, realizowanych w energetyce związanych z sieciami smart grid. Aktualnie w ofercie polskich producentów rozdzielnic SN brakuje kompleksowych, gotowych rozwiązań, które byłyby przystosowane do współpracy z inteligentnymi sieciami oraz tworzyły jednolite, w pełni sterowalne rozdzielnice, realizujące zadania: zabezpieczeniowe, pomiarowe, rozliczeniowe i diagnostyczne.
Przystępując do realizacji zadania kierowano się m.in. potrzebami ograniczenia liczby i wymiarów instalowanej aparatury, co w konsekwencji doprowadziło do zaimplementowania w sterowniku większej liczby modułów funkcjonalnych. Zaoszczędzona w ten sposób przestrzeń w polu rozdzielczym pozwala w przyszłości na doposażenie go w nowe rozwiązania, które mogą pojawić się wraz z rozwojem inteligentnych sieci.
W artykule przedstawiono wyniki badań przeprowadzonych w ramach projektu INNOTECH ID 182726, dofinansowanego przez NCBiR „Rozdzielnica inteligentna średnich napięć jako element sieci Smart Grid”.
LITERATURA:
- Wojtaś G., Makowiecki K.: Elementy architektury oprogramowania systemów wbudowanych dla sterowników energetycznych. Automatyka Elektroenergetyczna 2013 nr 9
- Broda K., Przybysz R., Wlazło P.: Metody diagnostyki zużycia wyłącznika. Wiadomości Elektrotechniczne 2013 nr 11
- Visual DSP ++ 5.0 C/C++ Compiler and Library Manual for Blackfin Processors, DSP Run-Time Library, Revision 5.0, Analog Devices, Inc., Norwood, 2007
- Broda K., Andrzejewski M., Wlazło P.: Symulator Funkcji Logicznych w sterownikach polowych MUPASZ. Wiadomości Elektrotechniczne 2014 nr 9
- Przybysz R., Kowalski G., Wlazło P.: Bezrdzeniowy przetwornik prądowy jako element sieci sensorycznej AMI. Wiadomości Elektrotechniczne 2014 nr 12
- Przybysz R., Wlazło P.: Wykorzystanie standardu Ethernet w rozwiązaniach automatyki i zabezpieczeń sieci rozdzielczych SN. ElektroInfo 2014 nr 4
- Lisowiec A., Wojtaś G.: Przetwarzanie sygnałów cewki Rogowskiego w procesorze o arytmetyce stałoprzecinkowej. Elektronika 2013 nr 4