Spółka Institute for International Product Safety GmbH (I²PS) z siedzibą w Bonn przeprowadza próby i badania urządzeń elektrycznych i elektronicznych. Zajmuje się przemysłowymi urządzeniami i systemami niskonapięciowymi, bezpieczeństwem urządzeń elektrycznych i kompatybilnością elektromagnetyczną (electromagnetic compatibility, EMC). Laboratorium jest w stanie przeprowadzać próby urządzeń w technologii niskonapięciowej pod kątem zwarć i wewnętrznych łuków elektrycznych przy prądach o natężeniu sięgającym nawet 300 kA.
Tak wysoka energia wymagana jest podczas prób generatorów i transformatorów w celu odtworzenia warunków zwarcia określonych w normach dotyczących bezpieczeństwa. Źródłem tej energii jest generator udarowy z oddzielnym układem wzbudzania. Wzbudzanie impulsu można regulować, aby zapewnić stały prąd zwarciowy przez czas wynoszący 100 ms lub więcej, maksymalnie do kilku sekund.
Spółka I²PS potrzebowała zmodernizować starą instalację testową, aby zwiększyć jej wydajność i rozwiązać problemy związane z konserwacją i pozyskiwaniem części zamiennych.
Po prawej generator udarowy w laboratorium badawczym I²PS GmbH; po lewej, za otwartą szafą rozdzielczą z rozwiązaniem napędowym Eaton, widoczny nowy silnik asynchroniczny.
  
Wzbudnicę generatora udarowego napędzał czterdziestoletni silnik pierścieniowy z rezystorami rozruchowymi chłodzonymi olejem. Rezystory rozpraszały ciepło podczas rozruchu i podczas zmniejszania prędkości silnika, a energia z hamowania była oddawana do oleju. Operatorzy musieli poczekać, aż olej ostygnie, zanim mogli powtórzyć próbę, więc generator udarowy często pozostawał na chodzie podczas przeprowadzania prób urządzeń, co powodowało znaczne zużycie energii.
Spółka I²PS potrzebowała nowoczesnego rozwiązania napędowego, które charakteryzowałoby się niezawodnością, wydajnością energetyczną i mogło być ponownie uruchamiane bez długiego oczekiwania. Dostawca tego systemu musiał również zapewnić w razie potrzeby wysoki poziom obsługi serwisowej.
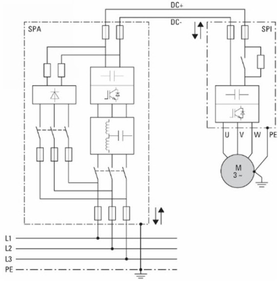
We współpracy z Eaton spółka I²PS opracowała rozwiązanie, w ramach którego zastąpiono silnik pierścieniowy silnikiem asynchronicznym. Silnik miał być napędzany energoelektronicznym modułem napędowym złożonym z przemiennika częstotliwości i modułu hamowania regeneracyjnego. Oba te elementy były dostępne w szerokim zakresie oferowanych przez Eaton napędów serii 9000X ze wspólną szyną DC, o mocy znamionowej w zakresie od 0,55 do 2750 kW przy napięciu sieci zasilającej 400 lub 690 V. Koncepcja kompaktowej budowy modułowej umożliwia rozdzielenie modułów zasilania i sterowania, zapewniając prostszy montaż i mniejsze zapotrzebowanie na części zamienne.
Produkowana przez Eaton seria modułów napędowych ze wspólną szyną DC serii 9000X obejmuje liczne moduły regeneracyjne i falowniki o parametrach znamionowych od 0,55 do 2750 kW przy napięciu 460 i 690 V.
  
Do rozwiązania dla spółki I²PS wybrano falownik SPI300A0-4A3N1 i chłodzony powietrzem moduł regeneracyjny SPA300A0-4A3N1. Moduł SPA w technologii Active Front End to dwukierunkowy przemiennik napięcia z interfejsem użytkownika, przeznaczony do montażu na wejściu zasilającym rozwiązań ze wspólną szyną DC. Przekształca on napięcie lub prąd zmienny na napięcie lub prąd stały. Moc jest przekazywana z sieci na szynę DC lub odwrotnie, w zależności od potrzeb.
Jeżeli chodzi o wzbudnicę generatora udarowego, moduł regeneracyjny Eaton SPA zwraca energię kinetyczną podczas hamowania z powrotem do sieci. Wcześniej po wyłączeniu wzbudnicy musiało upłynąć około pół godziny, zanim przestała ona pracować. W przypadku modułu regeneracyjnego SPA zarówno wyłączenie, jak i rozruch wymagają tylko dwóch minut.
Zastosowany falownik SPI to dwukierunkowy napęd zasilany prądem stałym służący do sterowania silnikami prądu przemiennego. Falownik odpowiada również za odzyskiwanie energii podczas pracy układu napędowego. Energia wytwarzana przez napędy podczas hamowania przekazywana jest poprzez falownik SPI i moduł regeneracyjny SPA do sieci zasilającej, tak jak w przypadku rozwiązania zastosowanego w spółce I²PS. Podobnie jak moduł regeneracyjny, falownik chłodzony powietrzem również wykorzystuje technologię IGBT, posiada klawiaturę alfanumeryczną, pod względem kompatybilności elektromagnetycznej należy do klasy T (według dotyczącej sieci IT normy EN 61800-3) i jest zgodny z normami bezpieczeństwa CE i UL.
Umieszczony na wejściu układu filtr LCL (indukcyjność-pojemność-indukcyjność) redukuje zniekształcenia pobieranego lub dostarczanego do sieci prądu, wytwarzając czystą energię o niskim poziomie zniekształceń harmonicznych. Całkowite zniekształcenia harmoniczne (Total Harmonic Distortion, THD) prądu wynoszą mniej niż pięć procent w porównaniu do 35–40 procent w przypadku standardowych sześciopulsowych przemienników częstotliwości. Ze względu na odzyskiwanie marnotrawionej energii niepotrzebne są wielkie, wypełnione olejem zespoły rezystorów, co pozwala na oszczędność energii i uproszczenie budowy.
W celu zapewnienia szybszego spowalniania wzbudnicy można byłoby zastosować złożony sterownik hamujący, ale wtedy energia kinetyczna znów byłaby uwalniana w postaci ciepła. Układ hamowania miałby bardzo duże rozmiary i wymagałby mnóstwo przestrzeni.
Opracowany układ napędowy ze wzbudnicą stanowi teraz część generatora udarowego o szczytowej mocy zwarciowej wynoszącej 298 MVA i umożliwia prowadzenie prób niskonapięciowych z zastosowaniem prądów zwarciowych o maksymalnym napięciu do 300 kA. Podczas długich przygotowań do prób można teraz wyłączyć generator udarowy, aby oszczędzić energię. Przed modernizacją można to było zrobić tylko trzy razy na dobę ze względu na długi czas potrzebny na to, aby chłodzone olejem rezystory rozruchowe lub hamujące osiągnęły wystarczająco niską temperaturę.
Klaus Heidelberg, kierownik działu ds. energii/zasilaczy impulsowych w I²PS, wyciągnął następujące wnioski: „Możliwość zatrzymywania i uruchamiania generatora udarowego według potrzeb to decydująca korzyść, którą odnieśliśmy z tej modernizacji. Ponadto nowe rozwiązanie napędowe jest znacznie bardziej wydajne pod względem energetycznym niż stary silnik pierścieniowy. W związku z tym trzy czynniki składają się na osiąganą przez nas oszczędność energii: wydajny energetycznie układ napędowy, oszczędność energii poprzez wyłączanie generatora udarowego podczas przygotowań oraz sprzężenie zwrotne odzyskujące energię hamowania i wprowadzające ją z powrotem do sieci, gdzie wcześniej była ona tracona w postaci ciepła. Ponadto Eaton zapewnił kompleksową obsługę klienta podczas fazy montażowej i rozruchowej”.
Rozwiązanie napędowe Eaton umożliwiło spółce I²PS oszczędzanie energii dzięki możliwościom odzyskiwania energii zapewnianym przez moduł regeneracyjny SPA i falownik SPI. Instalację można teraz uruchomić w dwie minuty, po długich przygotowaniach do przeprowadzenia próby, co pozwala uniknąć strat energii związanych z koniecznością ciągłego utrzymywania załączonej wzbudnicy. Nowoczesne modułowe elementy z serii 9000X pozwoliły na uproszczenie konstrukcji oraz łatwiejszą późniejszą konserwację i serwisowanie.

Elastyczna konfiguracja systemu pozwala obniżyć górny zakres oscylacji: poprzez moduł regeneracyjny SPA do odpowiedniego silnika można podłączyć szereg falowników SPI.
  
Wszystkie wyjściowe potrzeby spółki I²PS zostały zaspokojone – ulepszono starą instalację do przeprowadzania prób, aby zwiększyć jej wydajność, rozwiązując jednocześnie problemy związane z konserwacją i pozyskiwaniem części zamiennych.