Wadą systemu GaN/AlGaN jest brak monokrystalicznych podłoży GaN o dużej średnicy, dobrej jakości i niskiej cenie. Obecnie główny rynek przyrządów z GaN/AlGaN to białe źródła światła. Diody elektroluminescencyjne z GaN/AlGaN są wykonywane na podłożach krzemowych o średnicy 200 mm i 300 mm. Dioda emituje światło niebieskie lub ultrafioletowe, którego konwersję realizuje warstwa luminoforu fosforowego. W elektronice mikrofalowej, cywilnej i wojskowej przyrządy z GaN/AlGaN są wykonywane na podłożach z węglika krzemu o średnicy 125 mm i 150 mm dlatego, że jakość krystaliczna warstw na podłożu SiC jest znacznie lepsza niż na podłożu krzemowym. W ITME opracowano technologię trzyrządów HEMT z GaN/AlGaN na podłożach szafirowych i podłożach z węglika krzemu.
Szafir jest tanim i dobrze poznanym podłożem dla systemu GaN/AlGaN, ale źle przewodzi ciepło. Wiele elementów docelowej technologii GaN/AlGaN na podłożu SiC można opracować na podłożach szafirowych. Zarówno przyrządy HEMT jak układ scalony MMIC opisane w tym raporcie wykonano na podłożu szafirowym.
Wyniki
W pierwszej fazie opracowania do żadnej z warstw struktury epitaksjalnej nie wprowadzano domieszki. Ładunek elektryczny powstał na granicy GaN/AlGaN wskutek efektów piezoelektrycznych.
Tranzystory bez intencjonalnego domieszkowania warstwy AlGaN miały bramkę o szerokości równej 100 µm i długości 500 nm. Tranzystory wytworzono na podłożach ze strukturą epitaksjalną wyhodowaną w ITME i w laboratorium Politechniki Wrocławskiej. Wyniki na obu rodzajach podłoża były takie same.
Na rysunkach 1 i 2 przedstawiono fotografię płytki z tranzystorami oraz pojedynczy tranzystor.
Charakterystyki wyjściowe I-V oraz zależność transkonduktancji gm od polaryzacji bramki przedstawiono na rysunkach 3 i 4. Osiągnięto gęstość prądu ok. 500 mA/mm oraz transkonduktancję 170 mS/mm.
![]() |
![]() |
| Rys. 1. Widok ogólny płytki z tranzystorami | Rys. 2. Struktura dwubramkowego tranzystora |

Rys. 3. Charakterystyki wyjściowe tranzystora HEMT

Rys. 4. Transkonduktancja tranzystora HEMT
W celu zwiększenia gęstości prądu dren-źródło wprowadzono domieszkowanie warstwy AlGaN, a równocześnie zwiększono szerokość bramki do wartości 300 μm. Ponadto zaprojektowano asymetryczne położenie bramki w kanale tranzystora w celu równoczesnego uzyskania poprawy parametrów mikrofalowych i osiągnięcia wysokiej wartości napięcia przebicia dren-źródło. Na rysunku 5 przedstawiono pomiar odległości metalizacji bramki od metalizacji drenu.
W wyniku zmiany konstrukcji i technologii uzyskano wysoką wartość napięcia przebicia tranzystora, a ponadto gęstość prądu nasycenia dren-źródło wzrosła z wartości 500 mA/mm do wartości 700 mA/mm.
Na rysunku 6 przedstawiono wyniki pomiarów napięcia przebicia dren-źródło w różnych miejscach płytki. Przy wartości prądu 10-4 A napięcie przebicia dren-źródło wynosi 80 V.

Rys. 5. Pomiar wymiarów krytycznych tranzystora. Odległość dren-bramka wynosi 1,9 μm, długość bramki 440 nm, odległość źródło bramka ok. 600 nm

Rys. 6. Pomiar napięcia przebicia dren-źródło przy napięciu bramka-źródło -10 V
Pomiary mikrofalowe
Pomiary wykonywano w temperaturze pokojowej, metodą „on-wafer” na stanowisku do pomiarów ostrzowych firmy Cascade. Stosowano analizator sieci N5230A oraz sondy GSG 200 i GSG 150. Mierzono parametry macierzy rozproszenia, [S], w punkcie pracy UDS=5 V, ID≈ IDSS/2. Z tych pomiarów wyznaczano:
- MAG/MSG (maximum availabel gain)
- moduł |Y21| dla małych częstotliwości (f<500 MHz), który odpowiada transkonduktancji gm,
- częstotliwość graniczną fT (częstotliwość, przy której |H21| = 1) w punkcie pracy: UDS = 5 V i ID≈ IDSS/2.
Dla tranzystorów o długości kanału 4 µm częstotliwość fT wynosiła 16 GHz, dla tranzystorów o długości kanału 1,6 µm otrzymano fT = 20 GHz. Wyniki pomiarów mikrofalowych odpowiadające tym wariantom konstrukcyjnym syntetycznie przedstawiono na rysunkach 7 i 8.

Rys. 7. Określenie częstotliwości fT ≈ 16 GHz z charakterystyki H21 dla tranzystora z odległością S-D równą 4 μm

Rys. 8. Określenie częstotliwości fT ≈ 20 GHz z charakterystyki H21 dla tranzystora z odległością S-D równą 1,6 μm
W wyniku zmiany konstrukcji i technologii tranzystora uzyskano nie tylko wzrost wartości napięcia przebicia i wzrost gęstość prądu nasycenia, ale równocześnie zwiększenie wszystkich częstotliwości granicznych.
Na rysunku 9 przedstawiono pomiary mikrofalowe następujących parametrów: MSG (maximum stable gain), Gmax (maximum available gain), UPG (unilateral power gain), współczynnik Rollet’a k, moduły parametrów│H21│oraz │S21│.
- Częstotliwość graniczną fT=30 GHz określono dla warunku │H21│=1,
- częstotliwość graniczną fmax=30 GHz określono dla warunku Gmax=1.
- Unilateralne wzmocnienie mocy (UPG) równa się jeden dla częstotliwości ok. 30 GHz.
- Parametr │S21│równa się jeden dla częstotliwości 20 GHz.
- Współczynnik Rollet’a jest równy jeden dla częstotliwości 6 GHz.

Rys. 9. Wyniki pomiarów parametrów mikrofalowych MSG, GMAX, UPG,│H21│,│S21│oraz k – kryterium stabilności Rollet’a
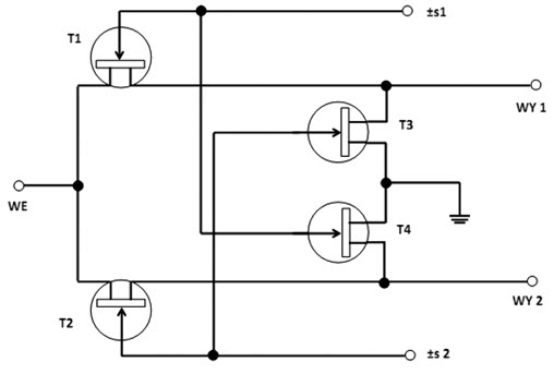
Opracowanie mikrofalowego monolitycznego układu scalonego (MMIC)
Zaprojektowano i wykonano pierwszy w Polsce układ MMIC (microwave integrated circuit) z tranzystorami HEMT z GaN/ AlGaN. Zrealizowano klucz typu SPDT (single-pole doublethrow) stosowany zazwyczaj w układach transciever’ów (klucz nadawanie-odbiór). Schemat układu przedstawiono na rys. 10:

Rys. 10. Schemat układu SPDT.
Transmisja sygnału z wejścia na wyjście pierwsze jest włączona jeżeli tranzystor T1 jest otwarty, a tranzystor T3 zamknięty (sygnał sterujący S1 jest równy 0 V, a sygnał S2 równy -10 V). Równocześnie tranzystor T2 jest zamknięty (wyjście drugie jest odizolowane od wejścia). Dla zwiększenia wartości izolacji tranzystor T4 jest otwarty i zwiera do masy sygnał wejściowy, który przechodzi przez zatkany tranzystor T2. Sterowanie jest synchroniczne. Sygnały sterujące S1 i S2 są na przemian równe 0 V i -10 V i ustalają potencjały bramek tranzystorów.
Na rysunku 11 przedstawiono fotografię zrealizowanej struktury układu scalonego.

Rys. 11. Cztery układy MMIC
Szerokości wszystkich bramek są równe 150 µm. Odległość dren-źródło wynosi 3 µm. Długość bramki wynosi 440 nm.
Przy pomocy sond mikrofalowych typu GSG, GS i SG firmy Cascade oraz analizatora sieci N5230A zmierzono straty wtrącenia i izolację układu.
Straty wtrącenia i izolacja (insertion loss, isolation) są zdefiniowane następująco: IL = -20 db (│S21│). Przy odwróceniu kierunku transmisji IL = -20 db (│S12│). Na rysunkach 12 i 13 przedstawiono wyniki pomiarów strat i izolacji układu w pięciu punktach płytki o średnicy 2”.
Dla zakresu częstotliwości 100 MHz-4 GHz straty wtrącenia są mniejsze niż 2 dB natomiast izolacja jest lepsza niż 23 dB.
Przedstawiony na rysunku 14 parametr S22 jest impedancją tranzystora T4 zwierającego sygnał.
Rys. 12. Pomiar strat wtrącenia i izolacji pięciu układów, transmisja w kierunku WE-WY1

Rys. 13. Pomiar strat wtrącenia i izolacji pięciu układów, transmisja w kierunku WY1-WE

Rys. 14. Parametr S22 dwóch układów MMIC w stanie izolacji wyjścia, pomiar w paśmie 0–10 GHz
Impedancja jest znormalizowana i odpowiada rezystancji kanału równej 20 Ω. Szerokość bramki tranzystora wynosi 150 µm, a zatem osiągnięto poziom technologii, który można syntetycznie określić parametrem rezystancji włączenia tranzystora równej 3 Ω na 1 mm szerokości bramki. Tranzystory transmisyjne T1 i T2 mają taką samą budowę. Wiadomo, że parametr S21 = S12 dwuwrotnika składającego z impedancji szeregowej Z jest równy 2Z0 /(2Z0 + Z), gdzie Z0 jest impedancją charakterystyczną linii.
W wyniku prostego rachunku dla Z = 20 Ω mamy: |S21| = |S12| = 1.584 dB. Ten wynik odpowiada zmierzonej wartości strat wtrącenia.
Straty wtrącenia komercyjnych układów MMIC są mniejsze niż 1 dB, ale osiągane są dla tranzystorów o szerokości bramki ok. 500 μm i większej [1].
Jeżeli zwiększono by trzykrotnie szerokość bramki tranzystorów w opisywanym układzie (do wartości 450 µm), to wtedy |S21| = |S12| = 0,588 dB.
Przedstawiony układ MMIC jest zatem demonstratorem technologii, przy pomocy której można wykonać układy scalone o parametrach na poziomie komercyjnym.
Pomiar izolacji był wykonywany w niekorzystnych warunkach, ponieważ nie można ustawić równocześnie obok siebie dwóch sond GS i SG w kontakcie z polami WY1 i WY2 (ze względu na rozmiary sond). Zatem rozwarcie jednego z wyjść miało wpływ na pomiar. Ponadto widoczne oscylacyjne zaburzenia przebiegu charakterystyk (szczególnie charakterystyk izolacji) wynikają z braku filtrów w układach polaryzacji bramek tranzystorów (sygnały S1 i S2). Do kontaktu z polami S1 i S2 zastosowano sondy ostrzowe. W wypadku montażu układu na laminacie można uzyskać stłumienie tych oscylacji [2].
Wyestymowany z charakterystyk wyjściowych tranzystora [1] poziom mocy układu MMIC P1dB≈200 mW.
Podsumowanie
Opracowano tranzystory, które pracowały w pasmach S i X, gdzie zmierzono parametr MSG/MAG o wartościach odpowiednio 16 i 10 dB. Dla zoptymalizowanej konstrukcji i technologii tranzystora określono częstotliwość fT równą 30 GHz i częstotliwość fMAX równą 30 GHz. Ponadto stwierdzono, że częstotliwość, dla której unilateralne wzmocnienie mocy równa się jeden wynosi 30 GHz, a częstotliwość dla której parametr |S21| równa się jeden wynosi 20 GHz. Uzyskano napięcie przebicia dren-źródło równe 80 V dla wartości prądu przebicia 10-4A.
Uzyskano gęstość prądu nasycenia dren-źródło równą 700 mA na 1 mm szerokości kanału.
Uzysk tranzystorów wynosił 70%. Otrzymano ok. 3000 dobrych przyrządów z jednej płytki o średnicy 2”.
Stwierdzono, że statystyki pomiarów stałoprądowych i mikrofalowych mają małe odchylenia i jest możliwa realizacja układów scalonych.
Opracowano pierwszy w Polsce mikrofalowy monolityczny układ scalony (MMIC) typu SPDT (single pole double throw). W paśmie 0–4 GHz straty wtrącenia są mniejsze niż 2 dB, a izolacja lepsza niż 23 dB. Wykazano, że po zmianie konstrukcji układu i stosując tę samą technologię można uzyskać straty wtrącenia mniejsze niż 1 dB. Przedstawiony układ MMIC jest demonstratorem technologii, przy pomocy której można wykonać układy scalone o parametrach na poziomie komercyjnym.
Obecnie zoptymalizowany wariant konstrukcyjny tranzystora, a także układ MMIC jest wykonywany na podłożach z węglika krzemu.
Dziękujemy następującym osobom za przeprowadzenie niezależnych pomiarów mikrofalowych na terenie PW i PWr: Wojciech Wojtasiak (PW Instytut Radioelektroniki), Bogdan Paszkiewicz (WEMiF PWr).
LITERATURA
[1] V. Kaper, R. Thompson, T. Prunty, J. R. Shealy, “Monolithic AlGaN/GaN HEMT SPDT switch”, 12th GAAS Symposium, Amsterdam 2004. [2] Qian Li, at. all, “Dual-gate GaN-HEMT SPDT switch with high isolation”, 2014 IEEE Int. Conference on Communication Problem –Solving (ICCP), pp. 13–137.
