Nowością IDEAL TS są produkty do kontroli funkcji czasu obwodów światła. Jest to rodzina aparatów KTR, które wykorzystują zaawansowane układy logiczne do realizacji zadań. Przekaźniki czasowe to obecnie jedne z najważniejszych modułów automatyki stosowane w instalacjach elektrycznych. Używa się ich zarówno w budownictwie mieszkaniowym, jak i przemysłowym.
Dzięki modułowej obudowie urządzenia KTR można montować w rozdzielnicach elektrycznych na szynach DIN (TH35), ponieważ każde z nich ma szerokość 17,5 mm. Aparaty są wyposażone w przełącznik ON/OFF oraz pokrętła regulacyjne z oznaczeniami zakresu czasu od 1 sekundy do 10 dni. Można również regulować zadany zakres w przedziale procentowym od 10 do 100%. Dodatkowo w przekaźniku wielofunkcyjnym jest również pokrętło z wyborem funkcji od A do J (10 funkcji).
Wszystkie aparaty z tej grupy pracują z napięciem 220-240V AC (50-60Hz), a obciążalność styków prądowych dla AC1 wynosi 16A.
- KTR-230A i KTR-230B to czasowe przekaźniki jednofunkcyjne do załączania (KTR-230A) lub wyłączania (KTR-230B) z opóźnieniem
Kiedy zostaje załączone zasilanie, odmierzany jest nastawiony czas i zaczyna działać przekaźnik wykonawczy. Ten stan trwa do momentu wyłączenia zasilania lub pojawienia się sygnału wejścia sterującego S, który powoduje otwarcie przekaźnika wykonawczego i ponowne odmierzenie nastawianego czasu.
Schemat elektryczny KTR-230A:

Legenda oznaczeń:
A1-A2 – zaciski zasilania / S – wejście sterujące / 15,16 i 18 styki wyjściowe
Diagram funkcjonalny:

Schemat elektryczny KTR-230B:

Legenda oznaczeń:
A1-A2 – zaciski zasilania / S – wejście sterujące / 15,16 i 18 styki wyjściowe
Diagram funkcjonalny:

-
KTR-230M czasowy przekaźnik wielofunkcyjny
Po załączeniu napięcia następuje odmierzenie nastawionego czasu i zadziałanie przekaźnika wykonawczego. Ten stan trwa do momentu wyłączenia napięcia zasilania. Wejście sterujące S nie jest używane.
Schemat elektryczny KTR-230M:

Legenda oznaczeń:
A1-A2 – zaciski zasilania / S – wejście sterujące / 15,16 i 18 styki wyjściowe
KTR-230M ma następujące funkcje:

Opóźnione załączanie
Załączanie na nastawiony czas
Praca cykliczna (Start Off)
Praca cykliczna (Start On)
Opóźnienie wyłączenia (wejście sterujące S)
Załączenie na nastawiony czas aktywowane zwarciem wejścia sterującego S
Załączenie na nastawiony czas aktywowane rozwarciem wejścia sterującego S
Opóźnione załączanie/wyłączanie
Przekaźnik bistabilny (impulsowy)
Generator impulsu
-
KTR-230LS przekaźnik czasowy schodowy
W tym modelu napięcie zasilania U musi być podawane ciągle. W przekaźniku jest dodatkowy przełącznik standu pracy AUTO (realizacja funkcji czasowej), ON – wymuszone załączenie, OFF – wymuszone wyłączenie.
Schemat elektryczny KTR-230LS:

Legenda oznaczeń:
L-N – zaciski zasilania / 3 – wejście sterujące / 4 – styk wyjściowy
Diagram funkcjonalny:

-
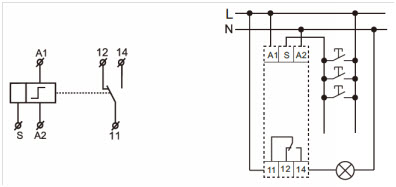
KTR-230MVR przekaźnik bistabilny (impulsowy)
Napięcie zasilania U musi być podane ciągle. Każde kolejne zwarcie styków wejścia sterującego s powoduję zmianę stanu przekaźnika wykonawczego R (11-14).
Schemat elektryczny KTR-230MVR:

Legenda oznaczeń:
A1-A2 – zaciski zasilania / S – wejście sterujące / 11,12 i 14 – styk wyjściowy
Diagram funkcjonalny:

Więcej informacji na stronie: http://ideal-ts.pl/