Problemy ochrony odgromowej są w Polsce rozpatrywane od 230 lat [0]. Jednak zasadniczy ich rozwój rozpoczął się dopiero w drugiej połowie ubiegłego wieku. Pierwszym bardzo istotnym wydarzeniem było wydanie w 1955 r. pierwszej Polskiej Normy PN-55/E-05003 [1]. Wkrótce po tym, Państwowy Zakład Ubezpieczeń, walcząc z licznymi pożarami na wsiach, starał się – we współpracy z zainteresowanymi profesjonalistami ochrony odgromowej – upowszechnić tzw. piorunochrony tupu lekkiego [2]. Stan taki trwał do 1972 r., tj. do chwili, w której ukazały się opracowane w ramach Ministerstwa Budownictwa szczegółowe „Warunki techniczne, jakim powinna odpowiadać ochrona obiektów budowlanych od wyładowań atmosferycznych” [3]. Jednak wkrótce po tym, podczas Międzynarodowej Konferencji Ochrony Odgromowej, powstała idea globalnego podejścia do normalizacji zasad ochrony odgromowej. Podjęte w tym celu działania doprowadziły w 1981 r. do powołania w ramach IEC specjalnego komitetu technicznego ds. ochrony odgromowej TC 81 IEC. Szybko zaczęły się pojawiać, a nawet mnożyć, nowe normy IEC, które z czasem zyskały zainteresowanie normalizacji europejskiej CENELEC. Liczba tych norm urosła do 13 i postanowiono je zrestrukturyzować, a następnie – stosując tzw. procedury utrzymania – modyfikować co 5 lat. Stan taki, w rozbiciu na 6 charakterystycznych okresów, został przedstawiony na rysunku 1.
Jak łatwo stwierdzić pierwsze dwa okresy są dość oczywiste i nie wymagają specjalnych objaśnień. Przy przejściu do okresu trzeciego i następnych pojawiają się pewne zawiłości, które wynikają głównie z restrukturyzacji i okresowej modyfikacji norm IEC, a w odniesieniu do realiów krajowych wiążą się dodatkowo z członkostwem od 2004 w CENELEC i z obligatoryjnością stosowania norm europejskich w Polsce, a więc z zamianą PN-IEC na PN-EN. W okresie tym nasiliły się też istotne zmiany w strukturze i w wyposażeniu obiektów budowlanych. Wynikały one głównie z ogólnego postępu technicznego, który z jednej strony przyczynił się do zwiększenia odporności konstrukcji budowlanych na bezpośrednie wyładowania piorunowe, z drugiej zaś – do rozwoju coraz bardziej wrażliwego na oddziaływania piorunowe wyposażenia elektrycznego i elektronicznego.
Strukturalno-wyposażeniowe zmiany obiektów okazały się być tak istotne, że w zasadniczy sposób wpłynęły na trendy rozwojowe ochrony odgromowej, co znalazło wyraźne odbicie w układzie i treści zrestrukturyzowanych dokumentów normatywnych. W zagrożeniu obiektów przez wyładowania piorunowe, oprócz bezpośredniego ich oddziaływania, coraz większą rolę odgrywają wyładowania pośrednie, tj. wyładowanie występujące w pobliżu obiektu i wyładowania oddziałujące na wchodzące do obiektu instalacje. Okazało się, że z uwagi na częstość występowania, wyładowania pośrednie mogą okazać się, w ocenie probabilistycznej, o dwa rzędy wielkości groźniejsze niż wyładowania bezpośrednie. W tej sytuacji konieczna jest koncentracja uwagi na zarządzaniu ryzykiem szkód piorunowych, na doskonaleniu metod ochrony obiektu i jego wyposażenia od bezpośrednich wyładowań piorunowych oraz na rozwoju metod ochrony wrażliwego wyposażenia przed oddziaływaniem wnikających przepięć udarowych.

Rys. 1. Schemat aktualizacji norm ochrony odgromowej
Zmiany restrukturyzacyjne
Restrukturyzacja wieloczęściowych pięciu serii norm IEC zmierzała do zredukowania ich liczby do pięciu części w jednej serii, o początkowym numerze IEC 61024:2001, a docelowym IEC 62305:2006. Zmiany te starano się zilustrować poniżej graficznie. W międzyczasie, w ramach CENELEC, został powołany Komitet lustrzany TC81X, którego zadaniem było opracowanie i utrzymanie siostrzanej normy EN 62305:2006, która – po przystąpieniu Polski do Unii Europejskiej – stała się również oryginałem przyszłej wersji polskiej PN-EN 62305:2008/2009. Ustalono, że wszystkie poprzednie normy składowe zostaną wycofane do 2009 r.

Rys. 2. Ilustracja powiązań restrukturyzacyjnych w zakresie: a) ogólnych zasad ochrony, b) zarządzania ryzykiem, c) szkód fizycznych i zagrożenia życia, d) ochrony systemów elektrycznych i elektronicznych
Norma IEC/EN/PN-EN 62305, będąca efektem restrukturyzacji została wydana pod ogólnym tytułem „Ochrona odgromowa” w podziale na 4 części. Powiązanie między kolejnymi częściami tej normy, poświęconymi „Ogólnym zasadom ochrony”, „Zarządzaniu ryzykiem”, „Ochronie przed uszkodzeniami fizycznymi obiektu i przed zagrożeniem życia” i ochronie „Systemów elektrycznych i elektronicznych w obiektach” a postanowieniami zaczerpniętymi z poprzednich dokumentów pokazano na rysunku 2.
Normy dodatkowe i pokrewne
Oprócz wymienionych norm ochrony odgromowej istnieje dodatkowa seria norm zawierających wymagania, jakim powinny odpowiadać elementy urządzenia piorunochronnego. Unormowanie tych wymagań zostało zapoczątkowane w komitecie TC81X serią EN 50164 [32], [33], a następnie – jak pokazano na rysunku 3 – było i jest rozwijane we współpracy z TC81 IEC serią IEC/EN 62561 [34] – [41]. Różna jest ranga i jakość powstających w tej serii dokumentów. Największe zastrzeżenie wzbudza w nich zaniedbanie zjawisk zabrudzeniowych i ślizgowych.

Rys. 3. Schemat blokowy przejścia od norm EN 50164 CENELEC do norm EN 62561 wspólnych z IEC
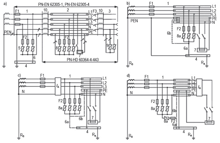
Szczególne miejsce w ochronie obiektów budowlanych przed oddziaływaniem wyładowań piorunowych zajmuje wyposażenie elektryczne i elektroniczne tych obiektów, o czym świadczyć mogą poświęcone tej ochronie serie pokrewnych dokumentów normatywnych, kreowanych przez komitety ds. instalacji elektrycznych [42 – 45], urządzeń do ograniczania przepięć SPD [46] i kompatybilności elektromagnetycznej [47] oraz przez zespoły złożone z przedstawicieli różnych komitetów [48]. Na uwagę zasługują przedstawione na rysunku 4 typowe układy wyposażania instalacji elektrycznych w ograniczniki przepięć [44 – 46].
Użyte na rysunku 4 wskaźniki i symbole mają następujące znaczenie: 1 – złącze instalacji; 2 – tablica rozdzielcza; 3 – gniazda rozdzielcze; 4 – główny zacisk/szyna uziemiająca; 5 – SPD klasy 1 probierczej; 6 – przewód uziemiający PD; 6a, 6b – przewody alternatywnych połączeń uziemiających SPD; 7 – urządzenie stacjonarne poddawane ochronie; 8 – SPD klasy II probierczej; 8a – SPD dobrane do II kategorii przepięć; 9 – SPD klasy II lub III probierczej; 10 – element odsprzęgający lub odcinek przewodu; F1, F2, F3 – zabezpieczenia nadprądowe; IΔ – urządzenie różnicowoprądowe (RCD); RA, RB – rezystancje uziemienia źródła i instalacji.
W oryginale (rys. 4a) słusznie pozostawiono możliwość zastąpienia pierwszych dwóch zestawów SPD jednym układem. Nie powinna być to jednak tylko możliwość, lecz wyraźny nakaz dyskwalifikujący ten rysunek, gdyż stosowanie różnych typów SPD obok siebie jest rozwiązaniem bezsensownym. Na uwagę zasługuje też zmiana podejścia [48] do (lekceważonego dotąd [42]) zagrożenia linii kablowych przez wyładowania piorunowe i powodowane przez nie przepięcia. Okazuje się, że zagrożenia te mogą być często bardziej znaczące niż w liniach napowietrznych.

Rys. 4. Przykłady zalecanych w instalacjach elektrycznych zastosowań SPD: a) różnych klas probierczych w układzie TN-C-S, b) drugiej kategorii przepięć przy złączu w układzie TN-C-S, c) drugiej kategorii przepięć za RCD w układzie TT (połączenie typu 1), d) drugiej kategorii przepięć przed RCD w układzie TT (połączenie typu 2)
Mankamenty i modyfikacje
Wynik dokonanej restrukturyzacji w postaci serii norm IEC/EN/PN-EN 62305 pozwolił na dość uporządkowane doskonalenie zasad, metod i środków ochrony, ale jeszcze sporo jest do zrobienia, chociaż nie jest to łatwe. Poważnym utrudnieniem jest niewątpliwie udział decyzyjny przedstawicieli firm oferujących swoje środki ochrony, co nie pozostaje bez wpływu na stronniczość normatywnych postanowień. W ten sposób zwalcza się konkurencję, łagodzi lub zaostrza wymagania, a nawet forsuje rozwiązania błędne lub przesycone środkami ochrony.
Szereg postanowień, zaleceń i wymagań normatywnych wykazuje nieścisłości i wymaga doprecyzowania. Wiele z nich wymaga dodatkowych badań, analiz i uzgodnień, w których niestety niejednokrotnie merytoryczne racje przegrywają w demokratycznej procedurze decyzyjnej. Do realizacji tych uzgodnień w skali międzynarodowej powołano system „utrzymania norm”, co w praktyce oznacza okresowy ich przegląd, przez „zespoły utrzymania” (Maintenance Teams), w celu dokonania niezbędnych modyfikacji. Jak pokazano na rysunku 1 zrestrukturyzowana norma znajduje się obecnie w końcowej fazie trzeciej modyfikacji. Jednak w dalszym ciągu szereg jej fragmentów wzbudza kontrowersje.
Należy więc zastanowić się nad jej mankamentami, do których z całą pewnością można zaliczyć:
- czynniki zwiększające objętość normy (rozbudowa jej treści poza postanowienia normatywne, liczne powtórzenia i nieprawidłowości w formułowaniu pojęć i definicji),
- brak konsekwencji w rozpatrywaniu wyłącznie ekstremalnych przypadków zagrożeń,
- kolizje dokładności założeń i wyników analiz oraz relatywizacja strat,
- brak precyzji i konsekwencji w stosowaniu zasad ochrony,
- subiektywizm procedur decyzyjnych.
Typowe przykłady zgłaszanych pod ich adresem zastrzeżeń przedstawiono w dalszej części artykułu.
Czynniki zwiększające objętość normy
Istnieje powszechne przekonanie, że norma jest przeznaczona dla fachowców i w związku z tym powinna być dokumentem skondensowanym, który różni się od podręcznika przez fakt ograniczenia jego postanowień do wymagań i zaleceń, bez dodatkowych wyjaśnień. Tymczasem poszczególne części omawianej normy zawierają szereg postanowień z ich uzasadnieniami, które – poza definicjami pojęć – są absolutnie niedopuszczalne, gdyż norma to nie czas i miejsce na szkolenie jej użytkownika. Dotyczy to również załączników, które powinny być zredukowane tak, aby objętość całej serii IEC/PE/PN-EN 62305 była możliwie najmniejsza, na przykład nie przekraczała 200 stron. Niestety obecnie sama jej część 3 liczy ok. 170 stron.
Zbędne powtórzenia dotyczą nie tylko pojęć i definicji, lecz również samych postanowień, tablic i rysunków. Ze 114 objaśnianych w normie pojęć, tylko połowa znajduje się w części 1. Pozostałe wprowadzone zostały w kolejnych częściach. Tyleż samo jest powtórzeń, którym niestety nadano zmienione numery. Powtórzenia te nie znajdują uzasadnienia zarówno redakcyjnego, jak i jakościowego. O czym świadczyć mogą świadczyć pojęcia takie, jak np.;
- „układ zwodów” i „układ przewodów odprowadzających”, występujące w dwóch częściach;
- „układ uziomów”, „środki ochrony przed LEMP”, „odgromowe połączenie wyrównawcze”, „ochrona odgromowa”, „poziom i strefa ochrony odgromowej”, występujące w trzech częściach;
- „systemy elektryczne i elektroniczne”, „układy wewnętrzne”, „separujące interfejsy” i „urządzenie piorunochronne”, występujące w czterech częściach.
Trzykrotnie powtórzono też pojęcie „znamionowe udarowe napięcie wytrzymywane” z tym, że w powtórkach postąpiono niekonsekwentnie zmieniając to pojęcie na „poziom znamionowego udarowego napięcia wytrzymywanego”. Z kolei przykładem powtórzonych niemal dosłownie postanowień może być ich zestawienie zawarte w tabeli 1.
Tabela 1. Przykłady powtórzonych – dość nieprecyzyjnie – postanowień:
| 1 | Cz. 2, p. 4.1.1: Prąd pioruna jest podstawowym źródłem szkody. Wyróżnia się następujące źródła za pomocą miejsca uderzenia (patrz tabl.1): S1 – w obiekt, S2 – w pobliżu obiektu, S3 – w linię, S4 – w pobliżu linii. | Cz. 1, p. 5.1.2: Prąd pioruna jest źródłem szkody. Należy wziąć pod uwagę następujące sytuacje w zależności od położenia – względem rozpatrywanego obiektu – punktu uderzenia: a) S1 – w obiekt, b) S2 – w pobliżu obiektu, c) S3 – w linię, d) S4 – w pobliżu linii. |
| 2 | Cz. 2, p. 5.4. akapit 3: Jeżeli R ≤ RT, to ochrona odgromowa nie jest potrzebna. Jeżeli R > RT, to należy zastosować środki ochrony w celu zredukowania (R ≤ RT) każdego ryzyka, na jakie jest narażony obiekt. | Cz. 1, p. 6.1 akapit 3: Ochrona odgromowa jest potrzebna, jeżeli ryzyko R (R1 do R3) jest wyższe niż tolerowany poziom RT; (R > RT). W tym przypadku należy zastosować środki ochrony w celu redukcji ryzyka R (R1 do R3) do tolerowanego poziomu RT; ( R ≤ RT). |
| 3 | Cz 4.,p. 4.3 akapit 1: Z uwagi na piorunowe zagrożenie, zdefiniowano następujące LPZ (patrz IEC 62305-1): strefę LPZ 0A, w której zagrożenie jest wywołane przez bezpośrednie wyładowanie piorunowe i przez pełne elektromagnetyczne pole pioruna. | Cz. 1, p. 8.3, akapit 3: Z uwagi na zagrożenie piorunowe, zdefiniowano następujące LPZ (patrz Rys. 3 i 4): strefę LPZ 0A, w której zagrożenie jest wywołane przez bezpośrednie wyładowanie piorunowe i przez pełne elektromagnetyczne pole pioruna. |
Problem ekstremalnych i nieekstremalnych zagrożeń
W normie nie należy dokonywać analizy prowadzącej do ustalania zależności między miejscem uderzenia pioruna w sieć zwodów poziomych a rozpływem prądu i wartością współczynnika kc, jak to uwidoczniono na rysunku 5.

Rys. 5. Wartości współczynnika kc w zależności od miejsca uderzenia pioruna: a) w zwód nad krańcem kalenicy; b) w zwód nad środkową częścią kalenicy; c) w różne punkty (A, B, C) oczkowego układu zwodów
Bez żadnej analizy wiadomo, że uderzenie piorunu w narożny zwód obiektu jest przypadkiem ekstremalnym i rozpatrywanie innych przypadków jest absolutnie bezsensowne, chyba, że chodzi o zwiększenie objętości normy (a przez to i jej ceny). Wartość współczynnika kc należy zawsze uzależnić od ekstremalnego przypadku.
Kolizja dokładności założeń, obliczeń i oceny strat
Poważne problemy wiążą się z oceną ryzyka rozpatrywanego w kontekście strat [25], które są nasycone subiektywizmem, a w ujęciu względnym prowadzą wyraźnie do mylnych wniosków. Składa się na to szereg czynników, którym wybiórczo warto się przyjrzeć.
Ścisła ocena zagrożenia może odnosić się tylko do ryzyka traktowanego jako prawdopodobieństwo wystąpienia uszkodzenia R = NP. Przypisywanie określonej wartości L stratom powodowanym przez to uszkodzenie, a więc wiązanie wartości L z prawdopodobieństwem uszkodzenia P i z liczbą groźnych zdarzeń N w iloczynie R = NPL jest dużym nieporozumieniem. Jak łatwo wykazać, każde z tych czynników może być obarczone błędem sięgającym wartości rzędu tysiąca procent, co przekreśla całkowicie sens oceny ryzyka z dokładnością do piątego miejsca po przecinku.
Jeżeli chodzi o liczbę groźnych zdarzeń N, to jej niedokładność związana z gęstością wyładowań piorunowych NG i zasięgiem równoważnej powierzchni obiektu AE, została istotnie zwiększona przez wprowadzenie zbyt subiektywnego współczynnika lokalizacji obiektu Cd. Trudność odróżnienia „odosobnionego obiektu na szczycie góry lub pagórka” (rys. 6a), dla którego Cd = 2, od obiektu na terenie płaskim (rys. 6b), dla którego Cd = 1, może prowadzić do 100% błędu.

Rys. 6. Przykłady obiektów: a) na wzgórzu, b) na terenie płaskim
Przypatrując się bliżej standardowym pojęciom i definicjom prawdopodobieństwa uszkodzeń PX, związanej z nim straty LX i komponentu ryzyka RX lub nawet samego ryzyka R, można stwierdzić daleki brak precyzji, a nawet pewne niedorzeczności. Samo pojęcie PX i jego określenie na ogół nie budzą zastrzeżeń, ale jeżeli chodzi o podane w szeregu tablicach Załącznika B, wartości PPT, PB, PSPD itd., to można je uznać za dość „sufitowe”. Na przykład uziom kratowy o nieustalonych parametrach ma służyć wyrównaniu potencjału ziemi wokół przewodu odprowadzającego, ale nie wiadomo dlaczego redukuje tam wartość ryzyka do poziomu PTA = 0,02, a nie do poziomu PTA = 0. Podobnie prawdopodobieństwo PB nie jest tożsame z prawdopodobieństwem występowania prądów o wartościach krytycznych przyporządkowanych poszczególnym LPL. Nastąpiło tu wyraźne, sięgające w przypadku LPL I 100%, zawyżenie prawdopodobieństwa PB.
Poważne zastrzeżenie budzi relatywizacja strat i uznanie ich za ryzyko. Bezsens takiego ujęcia polega na przyporządkowaniu identycznej wartości względnej strat i ryzyka przypadkowi, w którym ginie jedna osoba lub straty wynoszą kilkaset zł i przypadkowi, w którym ginie 10 lub nawet 100 osób, a straty sięgają kilkuset tysięcy zł. Przykładem może być szpital 30-łóżkowy i 300-łóżkowy, którym przypisuje się tę samą wartość LX. Względna strata nie może być ryzykiem, gdyż oznacza przypisywanie tego samego prawdopodobieństwa stratom o krańcowo różnych wartościach bezwzględnych.
Kolejnym nieporozumieniem jest posługiwanie się charakterem środowiska (wiejskie, miejskie i podmiejskie), przy ocenie oddziaływania wyładowań piorunowych na linie zasilające obiekty w tym środowisku. Po pierwsze rodzaj jego zabudowy może mieć bardzo zróżnicowany wpływ na to oddziaływanie, a z kolei przypisanie środowisku określonego charakteru standardowego może nie odzwierciedlać stanu rzeczywistego, gdyż często środowisko podmiejskie niewiele różni się od wiejskiego lub miejskiego, co wyraźnie widać na terenie Łodzi i jej okolic (rys. 7). Nie jest więc wykluczone mylne zakwalifikowanie obiektu ze środowiska podmiejskiego (CE = 0,5) do środowiska wiejskiego (CE = 1,0), albo do środowiska miejskiego (CE = 0,1), co wprowadza w ocenie ryzyka błąd sięgający 500%, a do środowiska miejskiego z wysokimi budynkami (CE = 0,01) – błąd sięgający nawet 1500%.

Rys. 7. Typowe przykłady usytuowania obiektów w środowisku: a) miejskim, b) miejskim z wysokimi budynkami, c) podmiejskim, jak w miejskim; d) podmiejskim, jak w wiejskim; e) wiejskim, jak w podmiejskim, f) wiejskim (Wieś Dąbrowa k. Łodzi)
Warto jeszcze zwrócić uwagę na ważny mankament w ocenie ryzyka, wynikający z pominięcia wpływu liczby uszkodzeń powodowanych przez jedno wyładowanie piorunowe. Przykładem może być jednakowe praktycznie traktowanie strat w obiekcie, w którym pracuje jeden komputer i strat w obiekcie, w którym pracuje 100 komputerów. Niestety relatywne straty tego nie odzwierciedlają.
Mankamenty podziału i aplikacji środków ochrony
Przedstawione na rysunku 8 (w oryginale na Rys. 1 części 1) rzekome powiazanie między częściami IEC 62305 niewiele wyjaśnia, a zwiększa objętość normy. Nadal nie bardzo wiadomo, jak są powiązane poszczególne części normy, a problematyczny element LP i kolejno zmieniane elementy LPMS, LPM i SPM nieco to utrudniają.

Rys. 8. Powiązanie między różnymi częściami IEC 62305
Element LP nie jest ani środkiem ochrony, ani częścią normy, a pozostałe elementy nie stanowią żadnych systemów, gdyż zawierają wzajemnie wykluczające się i indywidualnie dobierane środki ochrony. Ponadto brak jest konsekwencji w potraktowaniu LPS. Jeżeli wiadomo, że każde LPS musi mieć połączenia wyrównawcze z innymi instalacjami wchodzącymi do obiektu, to połączenia te nie mogą być wyłączone z LPS. Nadawanie im nazwy wewnętrznych LPS nie znajduje uzasadnienia, i to tym bardziej, że w p. 7.3 części 1 do elementów LPS oprócz zwodów, przewodów odprowadzających i uziomów zaliczono również połączenia wyrównawcze i odstępy izolacyjne, a w p. 3.42 uznano LPS za kompletny system służący redukcji szkód fizycznych powodowanych przez wyładowania piorunowe w obiekt.
Z kolei problemy aplikacyjne dotyczą niemal wszystkich środków ochrony, ale rażące nieprawidłowości kojarzą się szczególnie ze zwodami i połączeniami wyrównawczymi, realizowanymi za pomocą SPD. Zgodnie z Tablicą 2 normy PN-EN 62305-3 i z dołączonym do tej tablicy rysunkiem oraz z zamieszczonymi pod nim uwagami, metoda kąta ochronnego ma ograniczone zastosowanie, gdyż w grę wchodzi tylko kąt α ≈ 25° (uwaga 1) dla czterech wysokości h = 20 m, 30 m, 45 m i 60 m, odpowiadających kolejnej klasie I, II, III i IV LPS. Niestety jednak żadna z uwag podanych pod wspomnianym rysunkiem nie jest respektowana w tej normie (patrz na przykład zamieszczone w niej rysunki A.7, E.12, E.15, E.16, E.19, E.29, E.32). W związku z tym początkowa część uwagi 1 powinna być anulowana, a pozostałe uwagi (2 i 3) powinny być zastąpione stwierdzeniem, że płaszczyzna, na której jest usytuowany zwód, może być uznana za płaszczyznę odniesienia tylko wtedy, gdy jest przewodząca i uziemiona lub ew. wyposażona w inny zwód uziemiony (np. sąsiedni uziemiony zwód na rysunku 9b i 10b).
Wiele mankamentów dotyczy stosowania SPD. Przede wszystkim, połączenie dokonywane za pomocą SPD nie powinno być traktowane inaczej niż połączenie wyrównawcze, w którym ze względów oczywistych nie może być zastosowane połączenie przewodowe. SPD musi być tak dobrane, aby było odporne na oddziaływania piorunowe energetycznie i aby obniżało napięcie do wymaganego poziomu. Symbol SPD1/2, jak zaznaczono na rysunku 11, nie może być symbolem standardowym, gdyż sugeruje rzekome przyzwolenie na stosowanie symbolu „SPD typu 1 + 2”, który jest oczywiście nieprawidłowy i został wykorzystany wyłącznie do celów marketingowych. Również instalowanie dwu SPD obok siebie, jak pokazano wcześniej na rysunku 4 (poz. 5 i 8), jest rozwiązaniem bezsensownym, gdyż zwiększa koszty i ujawnia brak fachowości w doborze SPD.

Rys. 9. Przykład oryginalnego Rys. E.12: a) przed korektą; b) po korekcie. Oznaczenia: H – wysokość budynku, h1 – wysokość zwodu na dachu, h2 – wysokość wierzchołka zwodu nad ziemią; α1 – kąt ochronny przy założeniu, że płaszczyzną odniesienia przy wysokości zwodu h1 jest powierzchnia dachu; α2 – kąt ochronny przy założeniu, że płaszczyzną odniesienia przy wysokości zwodu h2 jest powierzchnia ziemi.

Rys. 10. Przykład rys. E,15 b: a) oryginalnego, b), c) skorygowanego (z odpowiednio zwiększoną i zmniejszoną za pomocą RSM przestrzenią chronioną między zwodami). Oznaczenia: 1 – zwód, 2 – obiekt, 3 – powierzchnia ziemi, 4 – zarys toczącej się kuli, r – jej promień, α – kąt ochronny.

Rys. 11. Przykłady braku jednoznaczności w normatywnym instalowaniu SPD na granicy między LPZ1 i LPZ2: a) w obiekcie nowym, b) w obiekcie istniejącym; E – linie zasilające, S – linie sygnałowe.
Do braku fachowości należy zaliczyć też naruszenie ciągłości kabla w celu zainstalowania SPD na granicy LPZ1/LPZ2, jak pokazano na rysunku 11b. Warunkiem takiej instalacji SPD jest jednak istnienie tam tablicy rozdzielczej SB (jak na rys. 11a). Kabel lub obwód izolowany nie powinien być wyposażany w ograniczniki przepięć w miejscu bez odgałęzień, a naruszenie kabla w celu zainstalowania SPD jest po prostu nieporozumieniem.
Subiektywizm procedur decyzyjnych
Nie bez znaczenia dla jakości sformułowań normatywnych pozostaje obecna struktura gremiów decyzyjnych, jakimi są komitety techniczne IEC i CENELEC oraz jego Rada Techniczna (BT). Dawniej w komitetach technicznych dominującą rolę odgrywali naukowo niezależni profesjonaliści. Natomiast w składach TC81 i TC81X od samego początku przeważają przedstawiciele firm zaangażowanych w wytwarzanie i instalowanie środków ochrony odgromowej i przeciwprzepięciowej, co nie pozostaje bez wpływu na formułowanie postanowień normatywnych. Przykładem może być walka przedstawicieli firm, produkujących tzw. zwody aktywne, o eliminację niekorzystnych dla nich zapisów, lub przedstawicieli innych firm o zapisy korzystne dla ich wyrobów. Zapisy te są przyjmowane nieraz w sposób niezbyt obiektywny, a zawierające je dokumenty są akceptowane lub odrzucane w procedurze demokratycznej, tj. w wyniku głosowania przez niekompetentnych zwykle urzędników reprezentujących krajowe komitety, tak jak to się dzieje na szczeblu BT CENELEC. W rezultacie powstają decyzje BT, które nie respektują stanowiska komitetów technicznych, jak to miało miejsce w przypadku, gdy TC81X stwierdził zdecydowanie, że istnieje konflikt między francuskim dokumentem NFC 17-102 a postanowieniami EN 62305. BT nie tylko nie akceptowała tego stwierdzenia, lecz wprost wywierała naciski na TC81X, by znalazł sposób na wyeliminowanie zgłoszonych zastrzeżeń.
Podsumowanie i wnioski
W artykule starano się przybliżyć trendy rozwojowe normalizacji i zwrócić uwagę na problemy w dążeniu do zapewnienia właściwej jakości postanowień normatywnych z zakresu ochrony odgromowej obiektów budowlanych i ich wyposażenia. Dużym osiągnięciem było doprowadzenie do ujednoliconego standardu w skali międzynarodowej, gdyż poczynania początkowe z lat 70. i 80. nie dawały podstaw do pozytywnych rokowań w tym zakresie. Powstał jednak dokument ujmujący całość zagadnień związanych z zagrożeniem piorunowym i skuteczną ochroną takich obiektów. Nie jest to doskonały dokument, ale okresowo modyfikowany, chociaż nie zawsze modyfikacje oznaczają doskonalenie. Mankamenty związane z kreowaniem i doskonaleniem tego dokumentu mają zarówno charakter biznesowo-proceduralny, jak i merytoryczny. W skomercjalizowanym obecnie świecie trudno jest wyeliminować mankamenty pierwszego rodzaju, dlatego też należy koncentrować się głównie na merytorycznej poprawności i jednoznaczności postanowień normatywnych. Przeprowadzone rozważania wskazują na szereg nieprawidłowości i dają podstawę do sformułowania następujących postulatów:
- zminimalizować objętość normy przez wyeliminowanie z niej powtórzeń i ograniczenie jej treści do wymagań i zaleceń bez dodatkowych uzasadnień,
- zrezygnować z relatywizacji strat i uogólnionych założeń w ocenie ryzyka, gdyż – przy szacowaniu zagrożenia obiektu – prowadzą one do znacznych błędów, nawet rzędu 1000%;
- wyeliminować zalecenia dotyczące doboru środków ochrony do warunków innych niż ekstremalne;
- usunąć niejednoznaczności w postanowieniach dotyczących doboru i stosowania środków ochrony odgromowej i przeciwprzepięciowej.
Artykuł powstał na podstawie referatu wygłoszonego podczas VII Krajowej Konferencji Naukowo-Technicznej „Urządzenia piorunochronne w projektowaniu i budowie”, zorganizowanej przez Oddział Krakowski SEP w dniu 23 października 2014 r. w Domu Technika NOT w Krakowie.
Literatura:
[0] Ks. Osiński J.: Sposób odbezpieczający życie i majątek od piorunów. Wydawnictwo JKM RP Scholarum Piarum, Warszawa 1784.
[1] PN-55/E-05003:1955 – Ochrona budowli od wyładowań atmosferycznych. Przepisy ogólne.
[2] PZU, Warszawa:1957 – Piorunochrony tupu lekkiego dla budynków wiejskich.
[3] MB, Dz. Bud. Nr. 8.:1972 – Warunki techniczne, jakim powinna odpowiadać ochrona obiektów budowlanych od wyładowań atmosferycznych.
[4] PN-86/E- 05003-1:1986 – Ochrona odgr. obiektów budowlanych. Część 1 – Zasady ogólne.
[5] PN-86/E-05003-2:1986 – Ochrona odgr. obiektów bud. Część 2 – Ochrona podstawowa.
[6] PN-89/E- 05003-3:1989 – Ochrona odgr. obiektów bud. Część 3 – Ochrona obostrzona.
[7] PN-92/E-05003-4:1992 – Ochrona odgr. obiektów bud. Część 4 – Ochrona specjalna.
[8] PN-IEC 61024-1:1990 – Ochrona odgr. obiektów bud. Część 1 – Zasady ogólne.
[9] PN-IEC 61024-1-1:1993 – Ochrona odgr. obiektów bud. Część 1-1. – Z. ogólne – Wybór poziomów ochrony odgromowej.
[10] PN-IEC (6)1024-1-2, Ochrona odgr. obiektów bud. Część 1-2. Z. ogólne – Przewodnik B – Projektowanie, instalowanie, utrzymanie i sprawdzanie urządzeń piorunochronnych.
[11] PN-IEC (6)1312-1:1993 – Ochrona przed piorunowym impulsem elektromagnetycznym (LEMP). Część 1 – Zasady ogólne.
[12] PN-IEC 61312-2:1999 – Ochrona przed LEMP, Cz. 2 – Ekranowanie obiektów, wewnętrzne połączenia wyrównawcze i uziemienia.
[13] PN-IEC/TS 61312-3:2000 – Ochrona przed LEMP; Część 3: Requirements of surge protective devices (SPDs).
[14] IEC/TR 61312-4:1998 Ed.1 – Ochrona urządzeń w istniejących obiektach.
[15] IEC/TS 61312-5: 2000. Ed1. A2 – Przewodnik stosowania.
[16] IEC 61662:2001 Ed 2.A. – Szacowanie ryzyka dla obiektów.
[17] IEC 61663-1:1999.Ed1. – Szacowanie ryzyka dla wchodzących urządzeń usługowych. Światłowodowych linii telekomunikacyjnych.
[18] IEC 61663-2:2000. Ed.1 – Szacowanie ryzyka dla wchodzących urządzeń usługowych. Przewodowych linii telekomunikacyjnych.
[19] IEC/TR 61819:2000 Ed.1 – Parametry probiercze do symulacji skutków piorunowych w komponentach LPS
[20] PN-EN 62305-1:2006(oryg.):2008(pl.) – Ochrona Odgromowa. Cześć 1: Ogólne zasady.
[21] PN-EN 62305-2:2006(oryg.):2009(pl.)-O.O. Cz. 2: Zarządzanie ryzykiem.
[22] PN-EN 62305-3:2006(oryg.):2008(pl.)-O.O. Cz. 3: Uszkodzenie fizyczne obiektu i zagrożenie życia.
[23] PN-EN 62305-4:2006(oryg.):2009(pl.)-O.O. – Część 4: Urządzenia elektryczne i elektroniczne w obiektach.
[24] PN-EN 62305-1:2011 Ed.2 (oryg.):2014(pl.)-O.O. Cz. 1: Ogólne zasady.
[25] PN-EN 62305-2:2012 Ed.2 (oryg.) – O.O. Cz. 2: Zarządzanie ryzykiem.
[26] PN-EN 62305-3:2011 Ed.2 (oryg.) – O.O. Cz. 3: Uszkodzenie fizyczne obiektu i zagrożenie życia.
[27] PN-EN 62305-4:2011 Ed.2 (oryg.):2014(pl.) – O. O. Cz. 4: Urządzenia elektryczne i elektroniczne w obiektach.
[28] Draft PN-EN 62305-1:2016 Ed.3 (oryg.) – O. O. Cz. 1: Ogólne zasady.
[29] Draft PN-EN 62305-2:2016 Ed.3 (oryg.) – O. O. Cz. 2: Zarządzanie ryzykiem.
[30] Draft PN-EN 62305-3:2016 Ed.3 (oryg.) – Ochrona odgromowa – Cz. 3: Uszkodzenie fizyczne obiektu i zagrożenie życia.
[31] Draft PN-EN 62305-4:2011 Ed.3 (oryg.) – Ochrona odgromowa – Cz. 4: Urządzenia elektryczne i elektroniczne w obiektach.
[32] PN-EN 50164-1:2010 – Elementy urządzenia piorunochronnego (LPC) – Cz. 1: Wymagania dotyczące elementów połączeniowych.
[33] PN-EN 50164-2:2010) – Elementy urządzenia piorunochronnego (LPC) – Cz. 2: Wymagania dotyczące przewodów i uziomów.
[34] PN-EN 62561-1:2012(oryg.) – Elementy urządzenia piorunochronnego (LPSC) – Cz. 1: Wymagania dotyczące elementów połączeniowych.
[35] PN-EN 62561-2:2012(oryg.) – Elementy urządzenia piorunochronnego (LPSC) – Cz. 2: Wymagania dotyczące przewodów i uziomów.
[36] PN-EN 62561-3:2012(oryg.): – Elementy urządzenia piorunochronnego (LPSC) – Cz. 3: Wymagania dotyczące iskierników izolacyjnych.
[37] PN-EN 62561-4:2012(oryg.) – Elementy urządzenia piorunochronnego (LPSC) – Cz. 4: Wymagania dotyczące wsporników (PN-EN 50164-4:2009 oryg.).
[38] PN-EN 62561-5:2012(oryg.) – Elementy urządzenia piorunochronnego (LPSC) – Cz. 5: Wymagania dotyczące skrzynek złącz kontrolnych uziomów i przepustów fundamentowych. (PN-EN 50164-5:2009 oryg.).
[39] PN-EN 62561-6:2012(oryg.) – Elementy urządzenia piorunochronnego (LPSC) – Cz. 6: Wymagania dotyczące liczników uderzeń pioruna.
[40] PN-EN 62561-7:2012(oryg.): – Elementy urządzenia piorunochronnego (LPSC) – Cz. 7: Wymagania dla środków poprawiających uziemienie.
[41] Draft PN-EN 62561-8/TS – Elementy urządzenia piorunochronnego (LPSC) – Cz. 8: Wymagania dotyczące elementów separowanego LPS.
[42] PN-IEC/EN 60364-4-443 Instalacje elektryczne w obiektach budowlanych. Ochrona dla zapewnienia bezpieczeństwa. Ochrona przed przepięciami. Ochrona przed przepięciami atmosferycznymi i łączeniowymi.
[43] PN-IEC/EN 60364-4-444 Instalacje elektryczne w obiektach budowlanych. Ochrona dla zapewnienia bezpieczeństwa. Ochrona przed przepięciami. Ochrona przed zakłóceniami elektromagnetycznymi (EMI) w instalacjach obiektów budowlanych.
[44] PN-IEC/EN 60364-5-534 Instalacje elektryczne niskiego napięcia – Część 5-53: Dobór i montaż wyposażenia elektrycznego – Odłączanie izolacyjne, łączenie i sterowanie – Sekcja 534: Urządzenia do ochrony przed przepięciami.
[45] PN-IEC/HD 60364-5-54:2010, Instalacje elektryczne niskiego napięcia – Dobór i montaż wyposażenia elektrycznego – Uziemienia i przewody ochronne.
[46] PN-EN 61643-11:2006, Niskonapięciowe urządzenia do ograniczania przepięć. Cz. 11: Urządzenia do ograniczania przepięć w sieciach rozdzielczych niskiego napięcia. Wymagania i próby.
[47] PN-IEC/EN 61000-4: 2003. Kompatybilność elektromagnetyczna (EMC). Metody badań i pomiarów. Cz. 4-5. Badanie odporności na udary, Cz. 4-9. Badanie odporności na impulsowe pole magnetyczne, Cz. 4-10. Badanie odporności na pole magnetyczne oscylacyjne tłumione.
[48] IEC 62066 TR:2002, Surge overvoltages and surge protection in low-voltage a.c. power systems – General basic information.