Dioda LED jest elementem wymagającym dostarczenia stałej wartości prądu w celu uzyskania stabilnego strumienia światła. Zmianę jasności dokonuje się poprzez regulację współczynnika wypełnienia impulsu PWM. W związku z tym, w układach zasilających dobrej jakości dominują stosunkowo drogie przetwornice impulsowe obniżające napięcie (topologia buck).
Schemat ideowy takiego rozwiązania został przedstawiony na rysunku 1:

Rys. 1
Niestety czas poprawnego funkcjonowania takiego układu zasilania jest ograniczony trwałością zastosowanych w nim (w celu filtracji) kondensatorów elektrolitycznych. Obecność koniecznych w tym samym celu elementów indukcyjnych (cewek) również nakłada pewne ograniczenia, chociażby uniemożliwia pożądaną miniaturyzację układu zasilania.
Wiele niskobudżetowych aplikacji oświetleniowych zbudowanych jest przy wykorzystaniu dużej liczby małych diod LED i charakteryzuje się uproszczoną metodą regulacji prądu. Niskonapięciowe diody LED mają bowiem większą tolerancję w zakresie metody sterowania niż pojedyncze diody LED o wysokiej jasności. Fakt ten jest wykorzystywany przez producentów żarówek LED w celu maksymalnego uproszczenia układu zasilania, sprowadzając go w zasadzie do źródła prądowego gdzie elementem regulacyjnym jest rezystor dołączony szeregowo do obciążenia. W aplikacjach oświetleniowych pracujących w sieci prądu przemiennego pozostaje niestety problem efektu stroboskopowego (migotanie diod LED z częstotliwością napięcia zasilającego), co przekłada się na kiepską jakość światła oraz niewielką sprawność energetyczną (moc wytracana na szeregowej rezystancji). Generalnie można powiedzieć, że szeregowe regulatory prądu dobrze sprawdzają się na niskonapięciowych aplikacjach oświetleniowych przy zasilaniu prądem stałym, bowiem ich niewielka sprawność jest w dużej mierze rekompensowana małymi wymiarami i prostotą konstrukcji. Okazuje się jednak, że istnieje sposób na zastosowanie zbliżonego rozwiązania również w wysokonapięciowej aplikacji zasilanej bezpośrednio z sieci prądu przemiennego.
Idea tego pomysłu jest następująca: Przyjmując, że spadek napięcia na pojedynczej diodzie LED wynosi około 3,1V napięcia skutecznego, wyobraźmy sobie, że łańcuch szeregowo połączonych diod LED (np. 100) podzielony został na odcinki. Dysponując wyprostowanym napięciem sieciowym są one sterowane w taki sposób, że z grubsza ujmując w danej chwili świeci ich jednocześnie tyle, na ile pozwala chwilowa wartość skuteczna napięcia sieciowego. Przykładowo, gdy osiągnie ona wartość 125V – świeci 40 diod LED (125/3,1), a przy wartości szczytowej 310V świeci ich już 100. Następnie wraz ze spadkiem wartości skutecznej napięcia zasilającego diody są kolejno wyłączane, po czym cykl się powtarza. Straty mocy na szeregowym regulatorze są w tym przypadku niewielkie, co przekłada się na dużą sprawność energetyczną (w teorii dochodzącą do 90%), a efekt stroboskopowy jest nieznaczny.
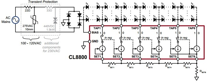
Powyższą zasadę działania wykorzystuje sekwencyjny, liniowy regulator prądu CL8800 firmy Microchip przedstawiony na rysunku 2:

Rys. 2. Uproszczony schemat blokowy układu CL8800
Został on zaprojektowany do pracy w sieci prądu przemiennego o napięciu 230V i częstotliwości 50Hz i pozwala podzielić łańcuch diod LED na 6 odcinków. W strukturze układu mamy więc zaimplementowane 6 regulatorów prądu, z których każdy włącza się w innym zakresie wartości napięcia zasilającego. Pierwszy (TAP1) włącza się gdy wartość napięcia zasilającego przewyższy sumaryczną wartość napięcia przewodzenia umieszczonych w nim diod LED. Gdy wartość napięcia zasilającego wzrośnie do poziomu pozwalającego na zapalenie kolejnego odcinka, regulator TAP1 wyłącza się, a sterowanie połączonych odcinków 1 i 2 przejmuje regulator TAP2, dodatkowo podwyższając prąd pracy. Ze wzrostem wartości napięcia zasilającego włączają się kolejne regulatory, podczas gdy poprzednie wyłączają się. Czyli wraz ze wzrostem wartości napięcia zasilającego rośnie liczba jednocześnie zapalonych diod LED tworzących łańcuch. Każdy z regulatorów posiada niezależną regulację prądu pracy (od 60mA dla TAP1 do 115mA dla TAP3-TAP6). O wartości tego prądu decyduje wartość odpowiedniego rezystora Rset. Ta cecha pozwala na kształtowanie charakterystyki napięciowo-prądowej całego układu – rys. 3, co pozwala na ograniczenie mocy strat w układzie.

Rys. 3. Przebieg prądu pracy łańcucha diod LED
Regulator CL8800 może dostarczyć do obciążenia mocy sięgającej 13W (przy zastosowaniu radiatora). Sprawność układu dochodzi do 85%. Układ CL8800 zamknięty jest w niewielkiej obudowie QFN33. Największym elementem przedstawionego układu zasilającego jest filtr przeciwzakłóceniowy (pozbawiony mających wpływ na czas funkcjonowania kondensatorów elektrolitycznych). Producent zaleca zastosowanie w nim warystorów lub diod zabezpieczających w celu wygładzenia możliwych przepięć. Przy użyciu dodatkowych zewnętrznych elementów RC CL8800 może współpracować z tradycyjnymi ściemniaczami zbudowanymi z wykorzystaniem triaka, jako elementu regulacyjnego natężenie światła (phase dimming). Szeregowy regulator CL8800 jest zatem doskonałym elementem dla konstruktorów chcących zastąpić tradycyjne źródła światła (żarówki, świetlówki) energooszczędnymi rozwiązaniami z wykorzystaniem diod LED. Minimalna liczba zewnętrznych komponentów wymaganych do jego poprawnej pracy sprawia, że jest niezwykle atrakcyjnym rozwiązaniem pod względem kosztów i wydajności.
Ten i inne elementy produkcji Microchip (Supertex) można znaleźć w ofercie autoryzowanego dystrybutora, firmy TME Sp. z o.o.